DIN 404 Screws
We are manufacturers of DIN 404 Screws Brass DIN 404 Screws in metric & metric threads with or without Nickel plating. We also offer Stainless Steel DIN 404 Slotted Capstain screws Slotted phillister head screws. DIN 404 slotted drilled screws are exported to Europe and around the globe.
We are one of the leading manufacturers suppliers exporters of DIN 404 Screws. Please contact us for all your needs of DIN 404 Screws from Jamnagar- India at best pricing.

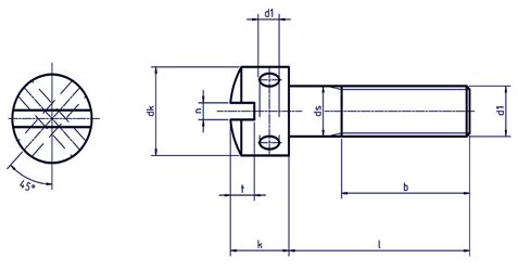
| d | M2 | M2,5 | M3 | M4 | M5 | M6 | M8 | M10 | |
| P | 0,4 | 0,45 | 0,5 | 0,7 | 0,8 | 1 | 1,25 | 1,5 | |
| b | 16 | 18 | 19 | 22 | 25 | 28 | 34 | 40 | |
| d1 | max. | 1,34 | 1,34 | 1,64 | 2,14 | 2,64 | 3,14 | 4,18 | 5,18 |
| min. | 1,2 | 1,2 | 1,5 | 2 | 2,5 | 3 | 4 | 5 | |
| dk | max. | 3,8 | 4,5 | 5,5 | 7 | 8,5 | 10 | 13 | 16 |
| min. | 3,68 | 4,38 | 5,38 | 6,85 | 8,35 | 9,85 | 12,82 | 15,82 | |
| ds | max. | 2 | 2,5 | 3 | 4 | 5 | 6 | 8 | 10 |
| min. | 1,85 | 2,36 | 2,86 | 3,82 | 4,82 | 5,82 | 7,78 | 9,78 | |
| k | max. | 3,3 | 3,88 | 4,38 | 5,38 | 6,95 | 8,45 | 10,45 | 13,05 |
| min. | 2,7 | 3,12 | 3,62 | 4,62 | 6,05 | 7,55 | 9,55 | 11,95 | |
| t | max. | 0,9 | 1 | 1,25 | 1,7 | 2 | 2,6 | 3,2 | 4,1 |
| min. | 0,7 | 0,8 | 1 | 1,4 | 1,7 | 2,2 | 2,7 | 3,5 | |
| n | max. | 0,7 | 0,8 | 1 | 1,2 | 1,51 | 1,91 | 2,31 | 2,81 |
| min. | 0,56 | 0,66 | 0,86 | 1,06 | 1,26 | 1,66 | 2,06 | 2,56 | |





1
2
3



